Zhejiang Sehnaider Electric Co.、Ltd。
Zhejiang Sehnaider Electric Co.、Ltd。
製品
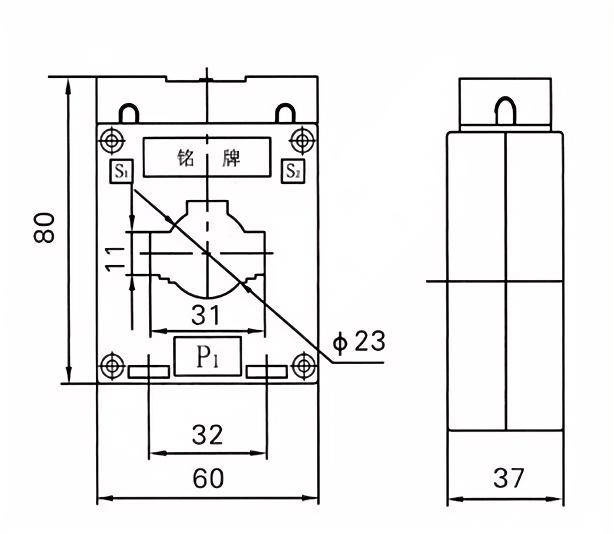
BH-0.66-30電流トランス
  • BH-0.66-30電流トランスBH-0.66-30電流トランス

BH-0.66-30電流トランス

BH-0.66-30電流変圧器(CTS)は、低電圧電気システムでの正確な電流測定とモニタリングのために設計された精密設計機器です。評価された断熱電圧は0.66kVで、これらの変圧器はエネルギー管理、保護リレー、および計量用途に最適です。

特徴:

高精度:IEC 61869基準を満たし、請求および監視目的で信頼できるパフォーマンスを確保します。

コンパクトデザイン:狭いスペースに簡単に設置するためのスペース節約構造。

広い電流範囲:多様な産業および商業負荷に適した最大30Aのプライマリ電流。

耐久性のある材料:堅牢な住宅は、環境要因と機械的ストレスに対する抵抗を提供します。

安全コンプライアンス:BH-0.66-30現在の変圧器は、国際的な安全およびパフォーマンス認証に準拠しています。


アプリケーション:

配電システムにおけるエネルギー計量。

回路ブレーカーとリレーの過電流保護。

スマートグリッドおよびIoTベースの監視ソリューションとの統合。

技術仕様:

定格電圧:0.66kv

周波数:50/60Hz

精度クラス:0.5、1.0(カスタマイズ可能)

負担:顧客の要件に従って


主な技術パラメーター

定格プライマリ
現在(a)
正確さ
クラス
組み合わせ
定格二次出力(VA) 熱流(ka)です 定格動的電流(ka)
0.2(s) 0.2 0.5 10p10
5-40 0.2/10p10
0.5/10p10
/ 10 10 15 90lin 220lin
5-40 100lin 250lin
5-40 20 50
5-40
5-40 36 90
10
5-40 45 100
5-40 56 100
5-40
5-40 80 110
5-40 100 110


ホットタグ: BH-0.66-30電流トランス
お問い合わせを送信
連絡先情報
見積や協力についてお問い合わせがある場合は、river@dahuelec.comにメールを送信するか、次のお問い合わせフォームを使用してください。当社の営業担当者は24時間以内にお客様に連絡します。私たちの製品に興味を持ってくれてありがとう。
X
We use cookies to offer you a better browsing experience, analyze site traffic and personalize content. By using this site, you agree to our use of cookies. Privacy Policy
Reject Accept