Zhejiang Sehnaider Electric Co.、Ltd。
Zhejiang Sehnaider Electric Co.、Ltd。
製品
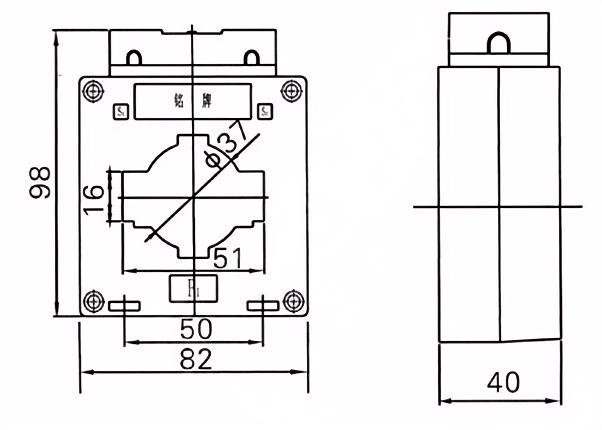
BH-0.66-50電流トランス
  • BH-0.66-50電流トランスBH-0.66-50電流トランス

BH-0.66-50電流トランス

BH-0.66-50電流変圧器は、さまざまな産業用途での電流の正確な測定と監視のために設計された精密機器です。定格電流が50aで、変換比が0.66であるため、これらの変圧器は信頼性の高い正確な電流測定機能を提供します。

屋内エポキシ樹脂電流トランスまたは屋内プラスチックケーシング電流トランス

•単相、2相または3相。

•定格電圧:0.66kv

•CTの計量クラス:0.2S、0.2、0.5、0.5s

•標準:IEC61869-2

•タイプ名:BH-0.66-50

この屋内ドライタイプの電流変圧器は、0.66kV、0.75kVで使用されます。測定と保護のための電力システム。

キュービクルのスイッチギアまたはベイインストールされたスイッチングステーションで使用されています。

BH-0.66-50電流変圧器は、高温の屋内エポキシ樹脂、メーターのためのアモルファス合金コア、および保護、一次および二次使用のためのコア内部の高品質から作られています。


アプリケーション:

配電システム

エネルギー管理システム

産業機器の監視

再生可能エネルギーシステム


1。プレミアム材料

高品質のコア:最小限の損失と高い直線性のために、精密整備されたシリコン鋼またはナノ結晶コア。  

堅牢な断熱材:エポキシ樹脂の設計により、過酷な環境での長期的な安定性が保証されます。  


2。優れたパフォーマンス

精度:メーターの場合はクラス0.2/0.5、保護のための5p/10p、IEC 61869、60044、IEEE、およびANSI標準に準拠しています。  

幅広い範囲:カスタム比率/周波数(50/60Hz)を備えた0.6kV-36KVシステムをサポートします。  

低熱上昇:最適化された設計により、過熱が減少し、寿命が延びます。  

EMC免疫:信頼できる信号の電磁干渉に対するシールド。  


3。サービスとサポート

カスタムソリューション:テーラード比、サイズ、またはコネクタ(例:DINレール、IEC端子)。  

グローバル認定:IEC、CE、ISO、およびローカルグリッドの承認。  

生涯の技術援助:24時間年中無休のサポート、設置ガイダンス、スペアパーツの供給。  

迅速な配達:2〜4週間で標準製品。緊急のニーズのための迅速なオプション。  


主な技術パラメーター

定格プライマリ
現在(a)
正確さ
クラス
組み合わせ
定格二次出力(VA) 1Sサーマル電流(KA) 定格動的電流(ka)
0.2(s) 0.2 0.5 10p10
5-40 0.2/10p10
0.5/10p10
/ 10 10 15 90lin 220lin
5-40 100lin 250lin
5-40 20 50
5-40
5-40 36 90
10
5-40 45 100
5-40 56 100
5-40
5-40 80 110
5-40 100 110




ホットタグ: BH-0.66-50電流トランス
お問い合わせを送信
連絡先情報
見積や協力についてお問い合わせがある場合は、river@dahuelec.comにメールを送信するか、次のお問い合わせフォームを使用してください。当社の営業担当者は24時間以内にお客様に連絡します。私たちの製品に興味を持ってくれてありがとう。
X
We use cookies to offer you a better browsing experience, analyze site traffic and personalize content. By using this site, you agree to our use of cookies. Privacy Policy
Reject Accept