Zhejiang Sehnaider Electric Co.、Ltd。
Zhejiang Sehnaider Electric Co.、Ltd。
製品
BH-0.66-60電流トランス
  • BH-0.66-60電流トランスBH-0.66-60電流トランス

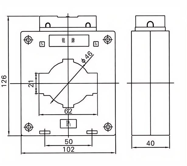
BH-0.66-60電流トランス

BH -0.66-60電流変圧器は、PCの炎 - 除去材料を採用し、磁気導電性材料は、レベル0.2および0.5の製品の精度を確保するためのアニールされたトロイダルコアです。 0.2Sおよび0.5Sなどの超精度レベルの場合、このような精度要件を満たすことができる超伝導磁石のみができます。

BH-0.66-60電流変圧器は、定格周波数50Hz、定格電圧0.66kV、0.69kV、0.5kV以下の電力システムに適用できます。


Dahuのこの現在の変圧器は、屋内で使用されており、分布キャビネットとボックス内に設置されています。新しい磁気回路設計、高度な補償方法、絶妙な処理技術、安全で信頼できるパフォーマンス、小さくて美しい外観が特徴です。


外側のシェルは、完全に密閉された構造と炎 - v1の遅延格付けを備えた高強度火炎 - 薄層PCで作られています。内部コアは、高品質の穀物指向のシリコンスチールシートで作られています。ワイヤの直径は、経済的電流密度に従って厳密に選択され、温度上昇が少なくなります。高度で信頼性の高いテスト機器により、品質基準への順守が保証されます。


正方形と丸い穴の種類があり、単一のルートまたは複数のルートケーブルの浸透または単一のルートバスバーの浸透に適しています。完全な製品シリーズ、さまざまな仕様、幅広いアプリケーション範囲があります。


アプリケーション

エネルギー監視と計量

回路保護とリレー調整

産業用自動化とスマートグリッドシステム

技術仕様

定格電圧:0.66kv

周波数:50/60Hz

精度クラス:0.5、1.0(カスタマイズ可能)

断熱レベル:3kV/min


主な技術パラメーター

定格プライマリ
現在(a)
正確さ
クラス
組み合わせ
定格二次出力(VA) 1Sサーマル電流(KA) 定格動的電流(ka)
0.2(s) 0.2 0.5 10p10
5-40 0.2/10p10
0.5/10p10
/ 10 10 15 90lin 220lin
5-40 100lin 250lin
5-40 20 50
5-40
5-40 36 90
10
5-40 45 100
5-40 56 100
5-40
5-40 80 110
5-40 100 110


ホットタグ: BH-0.66-60電流トランス
お問い合わせを送信
連絡先情報
見積や協力についてお問い合わせがある場合は、river@dahuelec.comにメールを送信するか、次のお問い合わせフォームを使用してください。当社の営業担当者は24時間以内にお客様に連絡します。私たちの製品に興味を持ってくれてありがとう。
X
We use cookies to offer you a better browsing experience, analyze site traffic and personalize content. By using this site, you agree to our use of cookies. Privacy Policy
Reject Accept