高精度クラス0.5 - 計量および監視アプリケーションの正確な電流測定を提供します。
幅広い測定範囲 - さまざまな負荷条件に対応するための複数の電流比をサポートします。
Compact&Lightweight Design - パフォーマンスを損なうことなく、タイトなスペースに簡単にインストールできます。
優れた熱安定性 - 変動する温度でも安定した動作を保証します。
強力な断熱と安全性 - 業界の安全基準に準拠し、電気障害に対する信頼できる保護を提供します。
汎用性の高いアプリケーション - 電力分配パネル、産業自動化、再生可能エネルギーシステムでの使用に最適です。
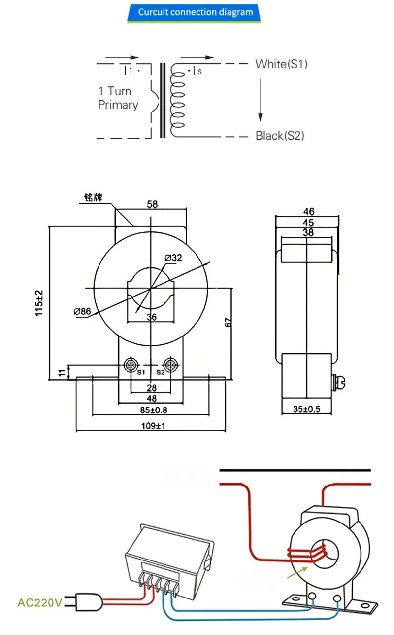
定格の一次電流:カスタマイズ可能(例:5A〜2000A)
定格二次電流:5aまたは1a(標準)
精度クラス:0.5
周波数:50Hz/60Hz
断熱レベル:最大3kV
動作温度:-25°C〜 +70°C
パワーメーターおよびエネルギー監視
保護リレーと回路ブレーカー
産業および商業電気システム
ソーラーおよび風力発電の設置

住所
Xiangyang Industrial Zone、Yueqing、Zhijiang、中国
Eメール